- For piston kit liners Ø 79mm (AVP6085) and Ø 77.8mm (AVP60134)
Liner and piston assembly 1596cm³ liner base for block O-ring R18
Reference:
60134
The sets are supplied with the following components:
- Cylinder Heads (x4)
- Domed Pistons (x4)
- Rings (x12)
- Pin (x4)
- Circle Clips (x8)
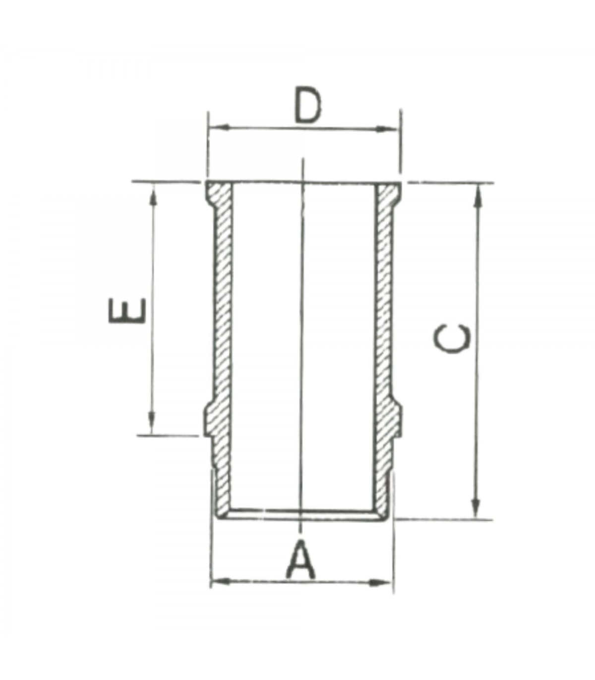
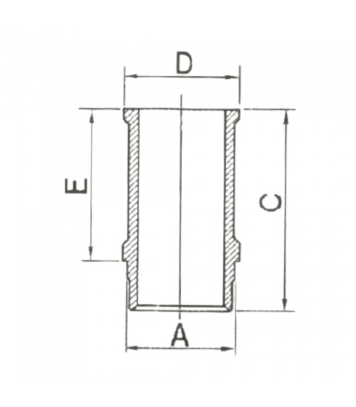
Dimensions of the various parts:
-
- Cylinder Head Bore Diameter: Ø 77.75mm
- Cylinder Head Flange or Top Diameter (D): Ø 95.90mm
- Cylinder Head Base Diameter (A): Ø 84mm
- Overall height including skirts of cylinder liners (C):143.50mm
- Height from top of cylinder liner to base seal area (E): 92.70mm
- Shaft dimensions: Ø 21x66.35mm (Cirlip-free mounting)
- Ring thickness:1.75mm / 2mm / 4mm (Fireproof/Sealing/Scraper)
- Base seal type: O-ring
Piston mounting direction: an arrow drawn perpendicular to the piston axis The figure is located on the top of the piston. It must be oriented in the direction of engine rotation during the connecting rod's downward stroke (see manufacturer's instructions or diagram).
It is essential to check the ring end gap of each piston ring before installing them on the pistons, according to the values specified by the manufacturer or given in the supplied instructions.
During installation, the ring end gap must be evenly distributed around the piston circumference at 120° intervals.

€480.00
(tax incl.)
Order before 1pm and enjoy same day shipping !