- Pour chemises du kit piston Ø 79mm (AVP6085) et Ø 77.8mm (AVP60134)
Jeu de 4 chemises et 4 pistons Ø 77.8mm (Complet) - Moteur 1596cm³ (Bloc de R18 Turbo avec embase de chemise pour joint torique)
Référence:
60134
Les ensembles sont fournis avec les éléments suivants :
- Chemises (x4)
- Pistons Bombés(x4)
- Segments (x12)
- Axes (x4)
- Circlips (x8)
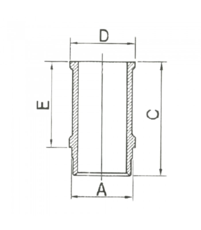
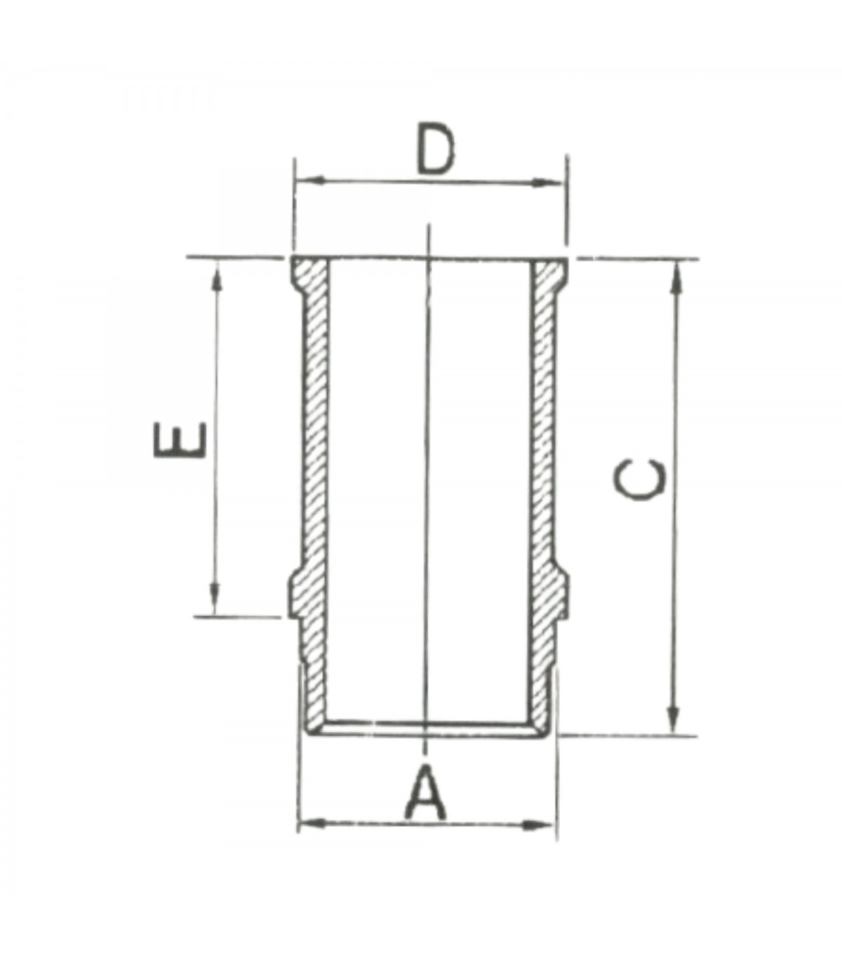
Dimensions des différentes pièces :
- Diamètre de l'alésage des chemises : Ø 77.75mm
- Diamètre de la collerette ou du haut des chemises (D): Ø 95.90mm
- Diamètre d'embase des chemises (A): Ø 84mm
- Hauteur jupes comprise (hors tout) des chemises (C): 143.50mm
- Hauteur du haut de la chemise à la portée des joints d'embases (E) : 92.70mm
- Dimensions des axes : Ø 21x66.35mm (Montage sans circlips)
- Épaisseur des Segments : 1.75mm / 2mm / 4mm (Coupe feu/ Étanchéité / Racleur)
- Type de joints d'embase : Joint Torique
Sens de montage des pistons : une flèche tracée perpendiculairement à l'axe du piston figure sur le dessus du piston. Elle doit être orientée dans le sens de la rotation du moteur lors de la bielle descendante (Voir notice constructeur ou schéma).
Il est indispensable d'effectuer une vérification du jeu à la coupe de chaque segment avant leur mise en place sur les pistons, selon les valeurs données par le constructeur ou données dans la notice fournie.
Au montage, la coupe des segments doit être répartie de façon régulière sur le périmètre du piston à 120°.

480,00 €
TTC
Commandez avant 13h et profitez d'une expédition le jour même !