Epaisseur des joints:
- Joints bleus : 0.06 - 0.07mm
- Joints rouges : 0.08 - 0.09mm
Diamètre intérieur des joints 80mm.
Les ensembles sont fournis avec les éléments suivants :
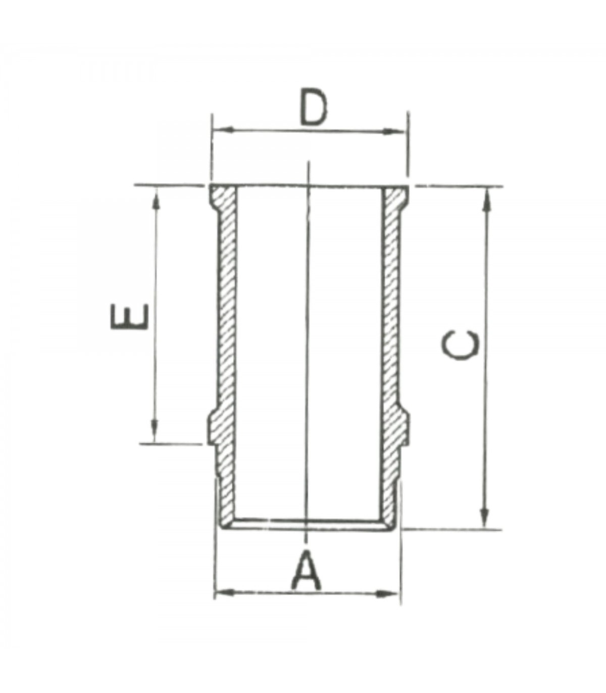
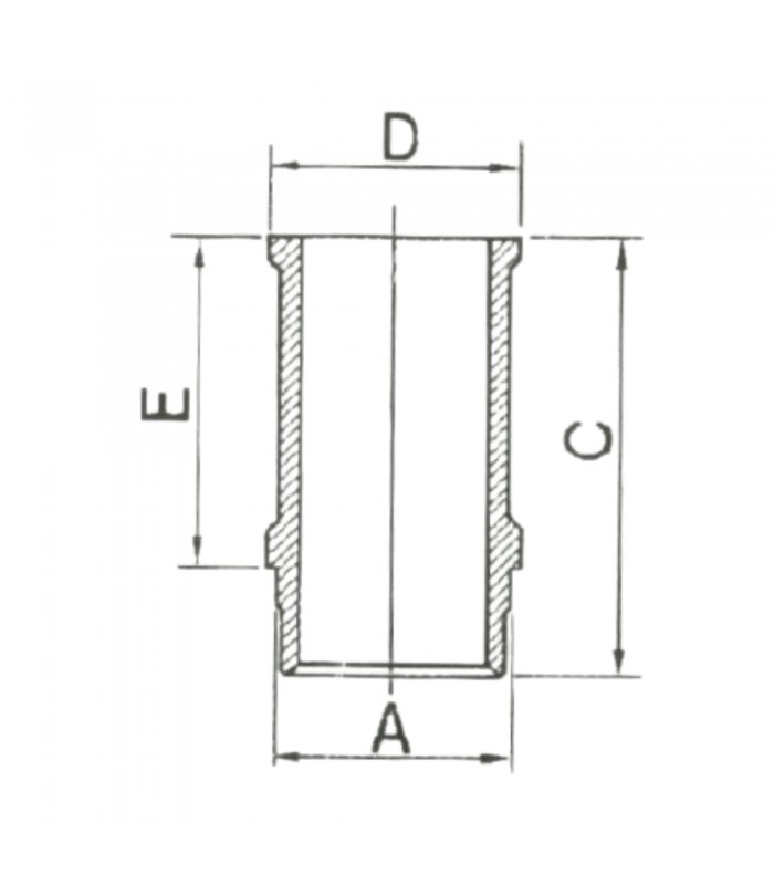
Dimensions des différentes pièces :
Sens de montage des pistons : une flèche tracée perpendiculairement à l'axe du piston figure sur le dessus du piston. Elle doit être orientée dans le sens de la rotation du moteur lors de la bielle descendante (Voir notice constructeur ou schéma).
Il est indispensable d'effectuer une vérification du jeu à la coupe de chaque segment avant leur mise en place sur les pistons, selon les valeurs données par le constructeur ou données dans la notice fournie.
Au montage, la coupe des segments doit être répartie de façon régulière sur le périmètre du piston à 120°.

Epaisseur des joints:
Diamètre intérieur des joints 80mm.
Dimensions des coussinets :
Kit de 16 ressorts de soupape "Origine" (4 Petits et 4 Grands) - Moteur 1108cm³ / 1255cm³ ou 1296cm³
Dimensions du Grand ressort :
Dimensions du Petit ressort :
Dimensions fournies à titre indicatif, pouvant légèrement varier.
Merci de vous inscrire en premier.
Se connecter